相關資訊
全國統一客服熱線:
021-57899261
電話:137-6109-6989
Email:wl-sales@tileblue.com
營銷中心:上海市松江區松衛北路567號13#7023
生產基地:上海市青浦區趙重公路1978號
產品詳情
聯系我們

交流輸入電抗器
產品概述:
進線電抗器可被用于給線路電源提供改進的過載保護,并能減小變頻器產生的電流諧波失真。提高輸入電源的功率因素,減少高次諧波,抑制變頻器在電源設備上的浪涌。電抗器的值定義為對于2%-4%額定電源電壓之間的電壓降如果大于此值,就會引起轉矩損失。
產品應用:
特別在下列環境下推薦使用進線電抗器:
1.幾個變頻器并聯緊密連接
2.線路電源有來自其他設備的明顯 擾動(干擾,過電壓)
3.線路電源各相之間存在電壓不平衡,超過額定電壓的1.8%
4.在同一線路上安裝有大量的變頻器
5.減小cos∮校正電容器上的過載,如果裝置中含有一個功率系數校正設備
6.電源容量為600kVA及以上,且變頻器安裝位置離大容量電源在10m以內
7.變頻器由阻抗非常低的線路供電(在變壓器容量比變頻器額定值高10倍)
技術規格:
1.工作電壓:Ф3/380VAC-1140VAC
2.工作頻率:50/60Hz.
3.工作電流:5A-1600A
4.絕緣等級:class F,H
5.使用環境:-10~+45 ℃,額定值不會降低。最高可達+55℃,
在45℃以上,每升高1℃,額定電流降低2%
6.防護等級:IP00-IP22
7.壓 降:<4% 大于此范圍會引起轉矩損失
8.最大電流:1.5×額定電流,持續60S
9.噪 音:≤65dB
10.溫 升:≤85K
11.抗電強度:鐵芯-繞組 3000VAC/50Hz/5mA/10s無飛弧擊穿(工廠測試)
12.絕緣電阻:1000VDC絕緣阻值≥100MΩ
13.海拔高度不超過2000米。
14.運行環境溫度-25℃~+45℃,相對濕度不超過90%。
15.周圍無有害氣體,無易燃易爆物品。
16.周圍環境應有良好的通風條件,如裝在柜內,應加裝通風設備。
17.執行標準:
IEC289:1987電抗器
GB10229-88電抗器(eqvIEC289:1987)
JB9644-1999半導體電氣傳動用電抗器
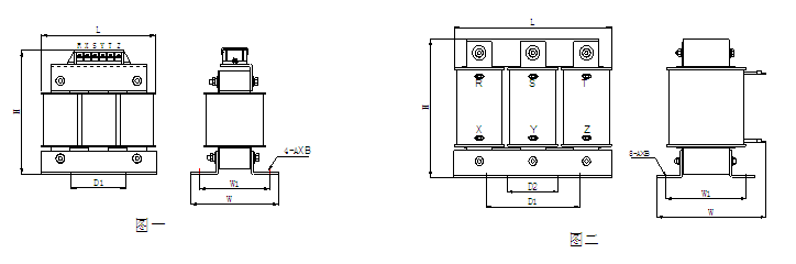
交流輸入系列電抗器尺寸圖380V



交流輸入系列電抗器尺寸圖690V




訂購:交流輸入電抗器




上海瓦藍電子科技有限公司

